在“中国制造”向“中国智造”战略转型过程中,高端制造与新材料的突破已成为衡量国家工业实力的标尺。从航空航天的高温合金到新能源车的动力电池,从芯片封装的精密基板到医疗器械的生物相容材料,每一寸性能的提升,都深藏于材料的微观世界里。而作为洞悉材料微观结构的“眼睛”,金相显微镜正扮演着不可或缺的关键角色,成为支撑中国高端制造崛起的重要基石。
微观世界定成败:质量控制的“火眼金睛”
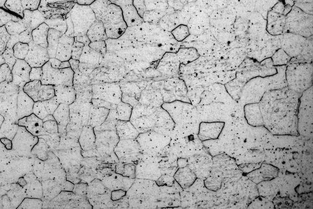
高端制造的核心在于“可靠”与“极致”。一个微米级的孔隙、一道不可见的晶界偏析、一处异常生长的夹杂物,都可能在极端工况下引发灾难性后果。金相显微镜通过对材料进行制样、观察与分析,能够精确揭示其显微组织、晶粒度、相组成及缺陷分布,为材料的研发、生产准入与失效分析提供最直接的判据。
可以说,没有精准的金相分析,就无法保证材料的性能达标,更谈不上高端制造的可靠性与安全性。正是在这一背景下,以班通科技(Bamtone)为代表的国产仪器品牌,通过大力研发,推出如Bamtone M60、Bamtone M70等在内的一系列高性能金相显微镜,为国材料科研与工业检测提供了强大的本土化技术支撑。

国产利器:班通科技Bamtone M60、M70赋能产业升级
面对新材料种类繁多、分析需求复杂的挑战,一台性能稳定、功能全面、成像精准的金相显微镜是实验室与生产线的刚需,班通科技的Bamtone M60/M70系列应运而生。其设计理念契合了当前中国制造业对检测效率与精度的双重追求。
1. 高分辨率成像,洞察微末之处
该系列显微镜采用无限远光学系统与高性能平场消色差物镜,确保从低倍到高倍都能获得清晰、锐利、无畸变的高对比度图像。这对于观察纳米析出相、评价涂层质量等精细操作至关重要,让任何微观缺陷都无所遁形。
2. 多模式观察,应对各种复杂材料
新材料意味着新的微观结构挑战。Bamtone M60/M70支持明场(BF)、暗场(DF)、偏光(POL)等多种观察模式。无论是各向同性的金属,还是各向异性的复合材料,用户都能通过切换最佳模式,获得最富信息量的显微图像,极大拓展了设备的应用边界。
3. 数字化与智能化,构建分析闭环
现代检测离不开数据管理。该系列显微镜可便捷地可选配高像素数码相机和专业的图像分析软件。用户不仅能轻松捕获、存储海量显微图像,更能利用软件进行精确的尺寸测量、晶粒度评级、相面积分数统计等定量分析,实现从“观看”到“量化”的飞跃,为科研和质检报告提供坚实的数据支持。
4. 稳固的工业级设计,无惧严苛环境
不同于普通实验室设备,工业环境往往伴随振动与干扰。班通科技深谙此道,Bamtone M60/M70采用了稳固的机械结构和专业的防震设计,确保在实验室或生产车间等多种环境下,都能获得稳定不抖动的成像效果,保障了检测结果的重复性与可靠性。
在中国高端制造攀登全球价值链顶峰的征程中,对材料内在规律的深刻理解是突破“卡脖子”技术的根本。金相显微镜,作为连接宏观性能与微观结构的桥梁,其重要性不言而喻。以班通科技Bamtone M60/M70为代表的国产高端金相显微镜,正以其卓越的性能、灵活的功能与可靠的品质,为打造更坚固、更轻量化、更高效的“中国芯”与“大国重器”贡献着专业力量。

