芯片烧录领导者昂科技术在推出全新版烧录软件之际,同步宣布进一步扩大兼容芯片的型号覆盖范围。值得一提的是,其旗下的通用烧录平台AP8000,现已完成与小华半导体的32位微控制器HC32F4A8SITB的全面适配,将为相关领域客户提供高效且稳定的专业烧录解决方案。
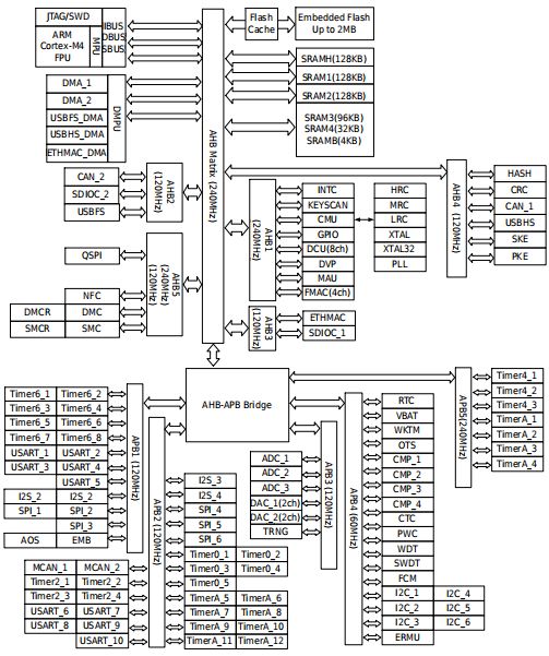
HC32F4A8SITB是小华半导体推出的一款基于ARMv7-M架构的32位Cortex-M4微控制器,集成FPU(浮点运算单元)和MPU(内存保护单元),支持SIMD指令的DSP功能,并具备ETM(嵌入式跟踪宏单元)和CoreSight标准调试单元。该芯片最高工作主频可达240MHz,运算性能达到300DMIPS或825Coremarks。

产品特点
• ARMv7-M架构32-bit Cortex-M4 CPU,集成FPU、MPU,支持SIMD指令的DSP,全指令跟踪单元ETM,及CoreSight标准调试单元。最高工作主频240MHz,达到300DMIPS或825Coremarks的运算性能
• 内置存储器
– 最大2048KByte的dual bank Flash memory,支持ECC校验
– 最大516KByte的SRAM,包括128KByte的单周期访问高速RAM,支持ECC校验
• 电源,时钟,复位管理
– 系统电源(VCC):1.8-3.63V
– 6个独立时钟源:外部主时钟晶振(4-25MHz)/外部副晶振(32.768kHz)/内部高速
RC(16/20MHz)/内部中速 RC(8MHz)/内部低速
RC(32.768kHz)/内部 WDT 专用 RC(10kHz)
– 包括上电复位(POR),低电压检测复位(PVD1R/PVD2R),端口复位(NRST)在内的16种复位源,每个复位源有独立标志位
• 低功耗运行
– 外设功能可以独立关闭或开启
– 三种低功耗模式:Sleep,Stop,Power down
– VBAT独立供电支持超低功耗RTC,128Byte备份寄存器,4KByte备份SRAM
• 外设运行支持系统显著降低CPU处理负荷
– 16通道双主机DMAC
– USBHS,USBFS,Ethernet MAC专用DMAC
– 8个数据计算单元(DCU)
– 数学协处理单元(MAU),支持Sin/Sqrt
– 支持16阶FIR数字滤波器(FMAC)
– 支持外设事件相互触发(AOS)
• 高性能模拟
– 3个独立12-bit 2.5Msps ADC
– 3个同时采样保持电路实现3通道同时采样
– 4个独立12-bit 15Msps DAC
– 4个可编程增益放大器(PGA)
– 4个独立电压比较器(CMP)
– 1个片上温度传感器(OTS)
– 8个多功能32/16-bit PWM Timer(Timer6)
– 3个16-bit电机PWM Timer(Timer4)
– 12个16-bit 通用Timer(TimerA)
– 4个16-bit 通用Timer(Timer2)
– 5个16-bit 基础Timer(Timer0)
– 实时时钟 Timer(RTC)
– 2个WDT,支持内部专用时钟
• 最大142个GPIO
– 最大138个5V-tolerant IO
• 最大36个通信接口
– 10个USART,支持ISO7816-3协议
– 6个SPI
– 6个I2C,支持SMBus协议
– 4个I2S,内置音频PLL
– 2个SDIO,支持SD/MMC/eMMC格式
– 1个QSPI,支持240Mbps高速访问(XIP)
– 4个CAN FD控制器,兼容CAN2.0A/B
– 2个USB 2.0,分别支持HS,FS,内置FS-PHY,支持Device/Host
– 1个10/100M ETHMAC,支持专用DMA,IEEE 1588-2018 PTP,MII/RMII接口
• 外部存储器控制器EXMC
– 支持Memory控制器:SRAM、PSRAM、NORFlash、NAND Flash、SDRAM
– 支持LCD并行接口,兼容8080/6800模式
• 数据加密功能
– PKE/SKE/HASH(SHA256/HMAC)/TRNG
• 安全机制
– 错误管理单元(ERMU)
• 封装形式:LQFP176/144/100,VFBGA176/100

昂科技术自主研发的AP8000万用烧录器,已成为行业内具有标杆意义的专业烧录解决方案。该设备支持灵活可调的一拖一及一拖八配置模式,并提供在线、离线双工作模式,尤其针对eMMC、UFS等存储芯片开发了专属烧录方案,可全面覆盖小华半导体全系列芯片的裸片离线烧录与在板烧录需求。AP8000采用主机、底板、适配座三大核心模块的创新模块化设计,赋予设备出色的兼容性与扩展能力。作为通用型烧录平台,其不仅能适配市场上各类可编程芯片,更以稳定高效的性能表现,成为昂科自动化批量烧录设备IPS5800S的核心组件,可高效处理大规模芯片烧录任务,满足量产需求。

AP8000主机具备灵活的连接方式,同时配备USB和NET接口,可实现多台编程器的便捷组网。通过组网功能,用户能够轻松实现多台编程器的同步控制,高效开展并行烧录作业。在安全性方面,主机内置智能安全保护电路,可实时监测芯片放置状态与电路连接情况,一旦检测到芯片反插、短路等异常,将立即触发断电保护机制,全方位守护芯片和编程器的安全运行。主机内部搭载高速FPGA芯片,大幅提升数据传输与处理效率,确保烧录过程流畅高效。为增强使用便捷性,主机背部设置SD卡槽,用户只需将PC端生成的工程文件存储至SD卡,并插入卡槽,即可通过编程器实体按键完成文件选择、加载与烧录操作,实现脱离PC的独立运行。这一设计不仅降低了对计算机硬件配置的依赖,还简化了工作环境搭建流程,显著提升操作灵活性。
在扩展性与兼容性上,AP8000采用底板与适配板模块化组合设计,有效拓展主机功能边界。目前,该设备已实现对全主流半导体厂商产品的支持,覆盖HAAWKING, XHSC, ZHIXIN, SAMSUNG, KIOXIA等知名品牌。其支持器件类型广泛,涵盖NAND, NOR, MCU, CPLD, FPGA, EMMC等,并全面兼容Intel Hex, Motorola S, Binary, POF等多种行业标准文件格式,为用户提供一站式、全场景的芯片烧录解决方案。